产品目录 Products
产品目录
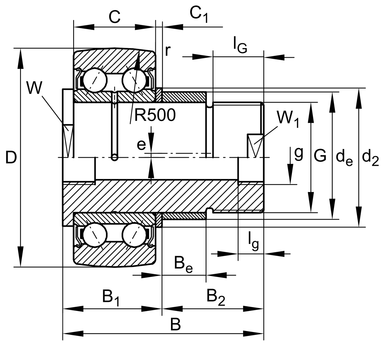
技术图纸
您当前的产品型号
密封
2Z
修形外圈
R500
再润滑特性
Via threaded connections on the head and stud
Assembling aid head
Spanner flat
Mounting aid stud
Spanner flat
主要尺寸和性能数据
D
35 mm
外径
de
18 mm
偏心直径
B
65.5 mm
宽度
Cr w
7,900 N
基本额定动载荷, 径向
C0r w
5,300 N
基本额定静载荷,径向
Cur w
270 N
疲劳极限载荷, 径向
nD G
11,100 1/min
脂润滑转速
Fr per
4,800 N
容许径向动载荷外圈
≈m
0.145 kg
重量
尺寸
B1 max
20.5 mm
止推垫圈最大宽度
B2
45 mm
螺栓/螺柱有效长度
C
15.9 mm
外圈宽度
C1
2 mm
外圈至止推垫圈棱角
d2
25 mm
止推垫圈的止推直径
rmin
0.6 mm
最小倒角尺寸
W
15 mm
平面宽度
W1
9 mm
平面宽度
e
1 mm
偏心
Be
18 mm
偏心宽度
g
M6
内螺纹
lg
6 mm
螺纹长度(内)
G
M12X1,5
螺纹
IG min
24 mm
最小螺纹长度
R
500 mm
外圈外表面轮廓修形半径
附加信息
MA
30 Nm
螺母拧紧力矩
