产品目录 Products
产品目录
技术图纸
您当前的产品型号
密封
PP
两侧接触式密封
修形外圈
Optimized INA-profile
油嘴
Drive-fit lubrication nipple unmounted 2x
再润滑特性
Via head, stud and fit
Assembling aid head
Hexagon socket
Mounting aid stud
Hexagon socket
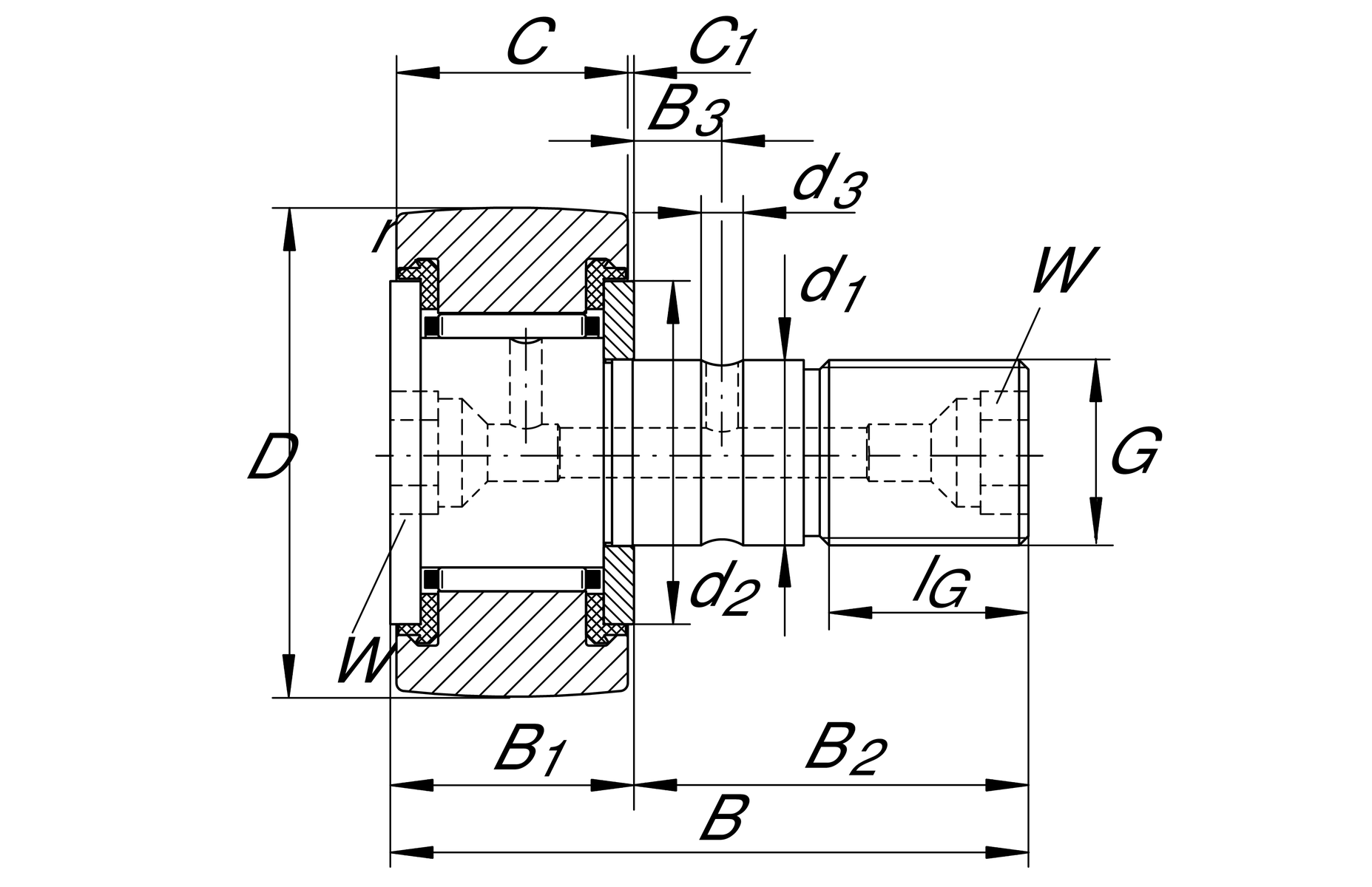
主要尺寸和性能数据
D
47 mm
外径
d1
20 mm
滚子螺栓/螺栓的合适直径
B
66 mm
宽度
Cr w
15,400 N
基本额定动载荷, 径向
C0r w
26,000 N
基本额定静载荷,径向
Cur w
3,450 N
疲劳极限载荷, 径向
nD G
2,400 1/min
脂润滑转速
≈m
0.371 kg
重量
尺寸
B1
25.6 mm
止推垫圈最大宽度
B2
40.5 mm
螺栓/螺柱有效长度
B3
9 mm
至润滑孔距
C
24 mm
外圈宽度
C1
0.8 mm
外圈至止推垫圈棱角
rmin
1 mm
最小倒角尺寸
d2
36.5 mm
止推垫圈的止推直径
d3
4 mm
润滑孔直径
G
M20X1,5
螺纹
IG
21 mm
螺纹长度
W
10 mm
平面宽度
附加信息
NIPA2X7,5
驱动迫合润滑油嘴
MA
120 Nm
螺母拧紧力矩
