产品目录 Products
产品目录
技术图纸
您当前的产品型号
保持架
M
黄铜保持架
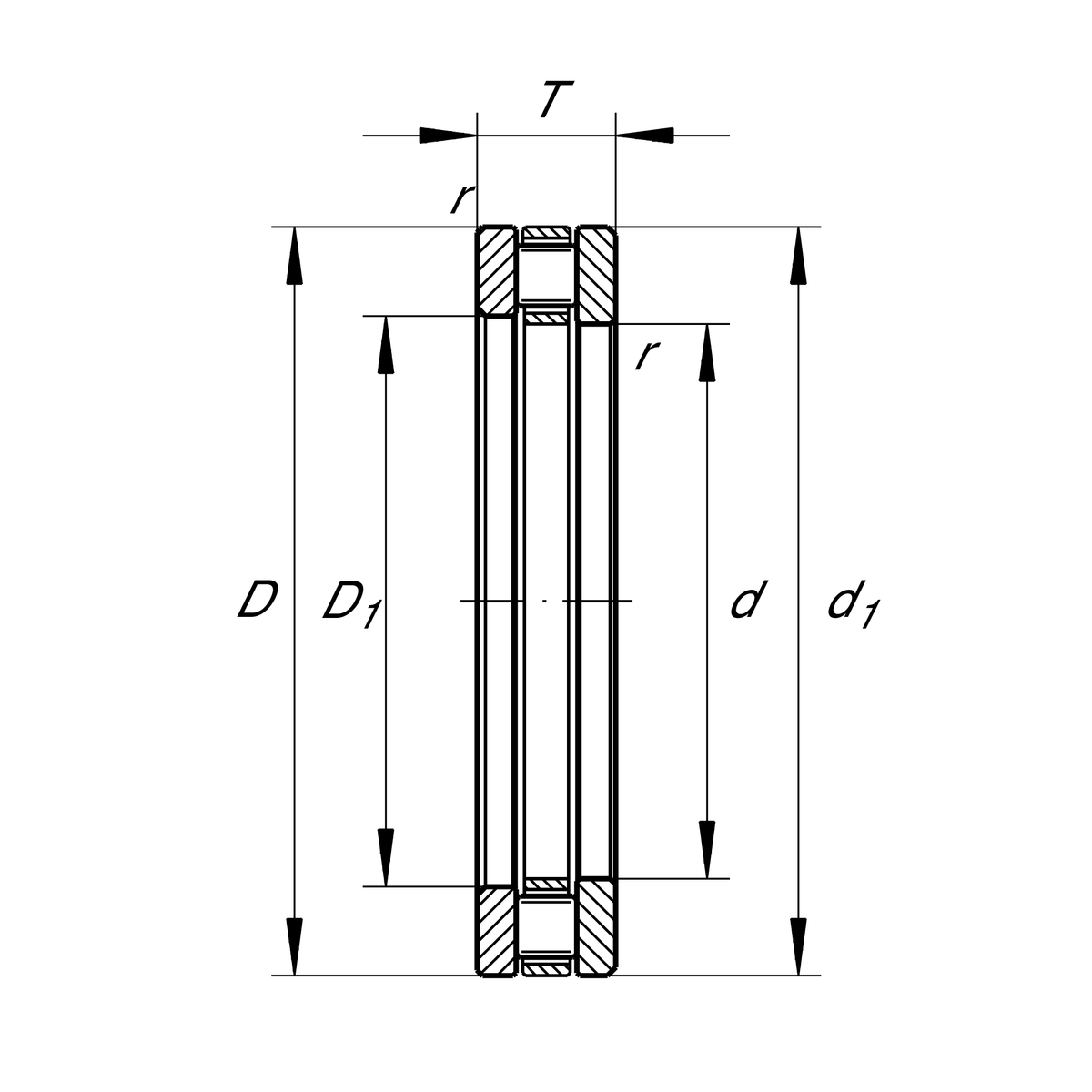
主要尺寸和性能数据
d
120 mm
内径
D
170 mm
外径
T
39 mm
高度
Ca
310,000 N
基本额定动载荷, 轴向
C0a
980,000 N
基本额定静载荷,轴向
Cua
99,000 N
疲劳极限载荷, 轴向
nG
1,990 1/min
极限转速
nϑr
880 1/min
参考转速
≈m
2.974 kg
重量
安装尺寸
da min
162 mm
轴挡肩最小直径
Da max
127 mm
轴承座挡肩最大直径
ra max
1.1 mm
最大凹穴半径
尺寸
D1
123 mm
座圈内径
d1
170 mm
轴圈裂口直径
rmin
1.1 mm
最小倒角尺寸
温度范围
Tmin
120 °C
最低工作温度
Tmax
-30 °C
最高工作温度
附加信息
K81124-M
轴向滚子和保持架组件
GS81124
座圈
WS81124
轴圈
