产品目录 Products
产品目录
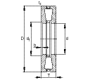
技术图纸
您当前的产品型号
热处理
表面硬化
渗碳硬化
保持架
F
滚子引导实体钢保持架
设计
2
带台阶孔
主要尺寸和性能数据
d
279.4 mm
内径
D
603.25 mm
外径
T
136.525 mm
高度
Ca*
10,000,000 N
Basic dynamic load rating, axial according to ABEC/RBEC 8-1170
C0a
29,500,000 N
基本额定静载荷,轴向
Cua
2,150,000 N
疲劳极限载荷, 轴向
nG
360 1/min
极限转速
≈m
201 kg
重量
尺寸
rs min
11.2 mm
外径最小倒角尺寸
d1
301.625 mm
台阶直径
b
11.1 mm
台阶宽度
温度范围
Tmin
-30 °C
最低工作温度
Tmax
120 °C
最高工作温度
