产品目录 Products
产品目录
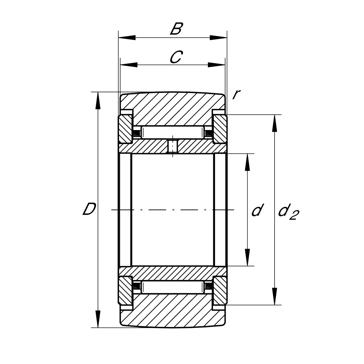
技术图纸
您当前的产品型号
密封
Gap seal on both sides
修形外圈
R500
球面外径(标准)
再润滑特性
Via inner ring
主要尺寸和性能数据
d
5 mm
内径
D
16 mm
外径
B
12 mm
内圈宽度
Cr w
3,200 N
基本额定动载荷, 径向
C0r w
3,450 N
基本额定静载荷,径向
Cur w
465 N
疲劳极限载荷, 径向
nD G
14,000 1/min
脂润滑转速
F0r per
3,450 N
容许径向静载荷
Fr per
3,450 N
容许径向动载荷外圈
≈m
15.1 g
重量
尺寸
C
11 mm
外圈宽度
d2
12.5 mm
止推垫圈外径
rmin
0.15 mm
最小倒角尺寸
R
500 mm
外圈外表面轮廓修形半径
