产品目录 Products
产品目录
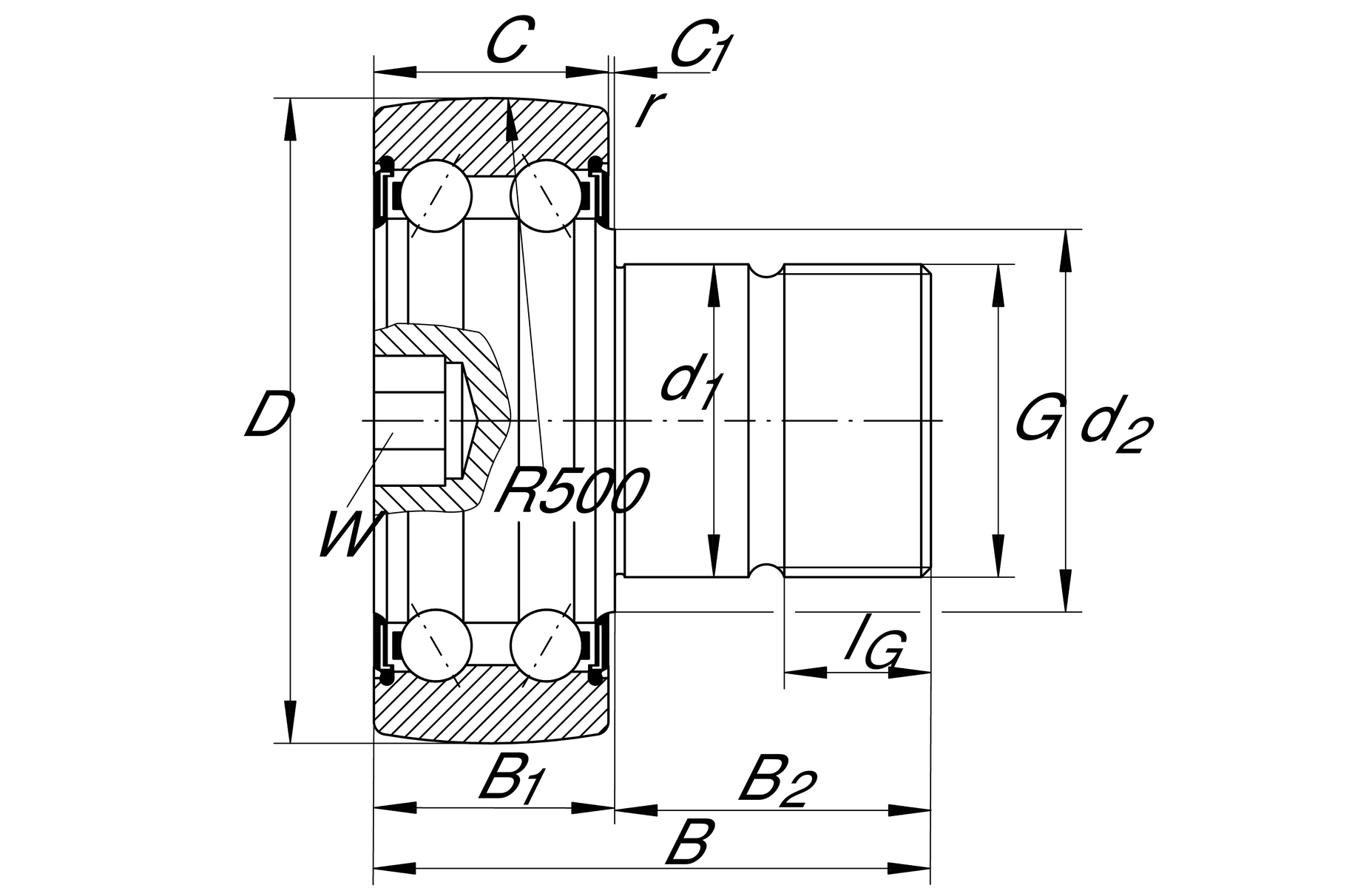
技术图纸
您当前的产品型号
密封
2RS
修形外圈
R500
再润滑特性
Without
Assembling aid head
Hexagon socket
主要尺寸和性能数据
D
52 mm
外径
d1
20 mm
滚子螺栓/螺栓的合适直径
B
63.6 mm
宽度
Cr w
15,800 N
基本额定动载荷, 径向
C0r w
10,800 N
基本额定静载荷,径向
Cur w
550 N
疲劳极限载荷, 径向
nD G
5,000 1/min
脂润滑转速
≈m
0.39 kg
重量
尺寸
B1 max
22.5 mm
止推垫圈最大宽度
B2
41.5 mm
螺栓/螺柱有效长度
C
20.6 mm
外圈宽度
C1
1.5 mm
外圈至止推垫圈棱角
d2
26.8 mm
止推垫圈的止推直径
rmin
1 mm
最小倒角尺寸
G
M20X1,5
螺纹
IG
21 mm
螺纹长度
W
10 mm
平面宽度
R
500 mm
外圈外表面轮廓修形半径
附加信息
MA
160 Nm
螺母拧紧力矩
