产品目录 Products
产品目录
技术图纸
您当前的产品型号
保持架
J
冲压钢板
公差等级
PN
正常(PN)
主要尺寸和性能数据
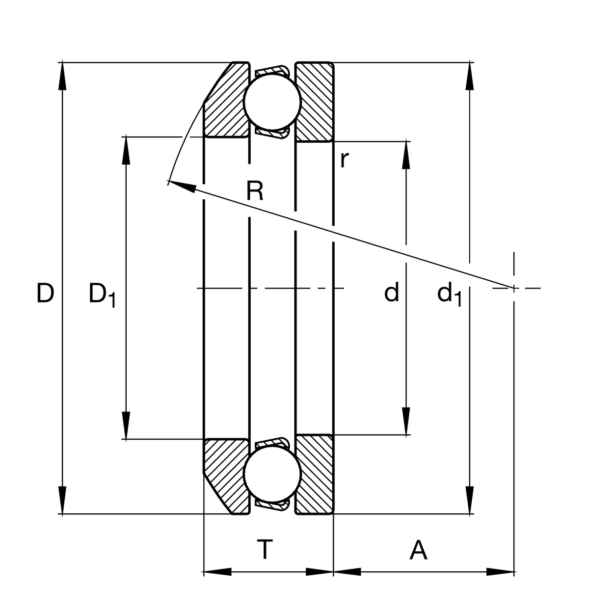
d
130 mm
内径
D
190 mm
外径
T
47.9 mm
高度
Ca
184,000 N
基本额定动载荷, 轴向
C0a
540,000 N
基本额定静载荷,轴向
Cua
19,500 N
疲劳极限载荷, 轴向
nG
2,210 1/min
极限转速
nϑr
2,850 1/min
参考转速
≈m
3.888 kg
重量
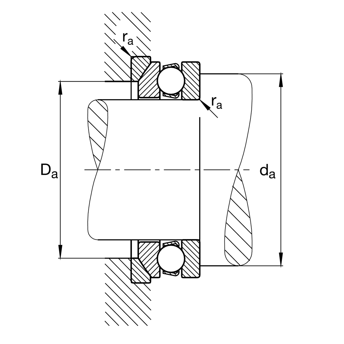
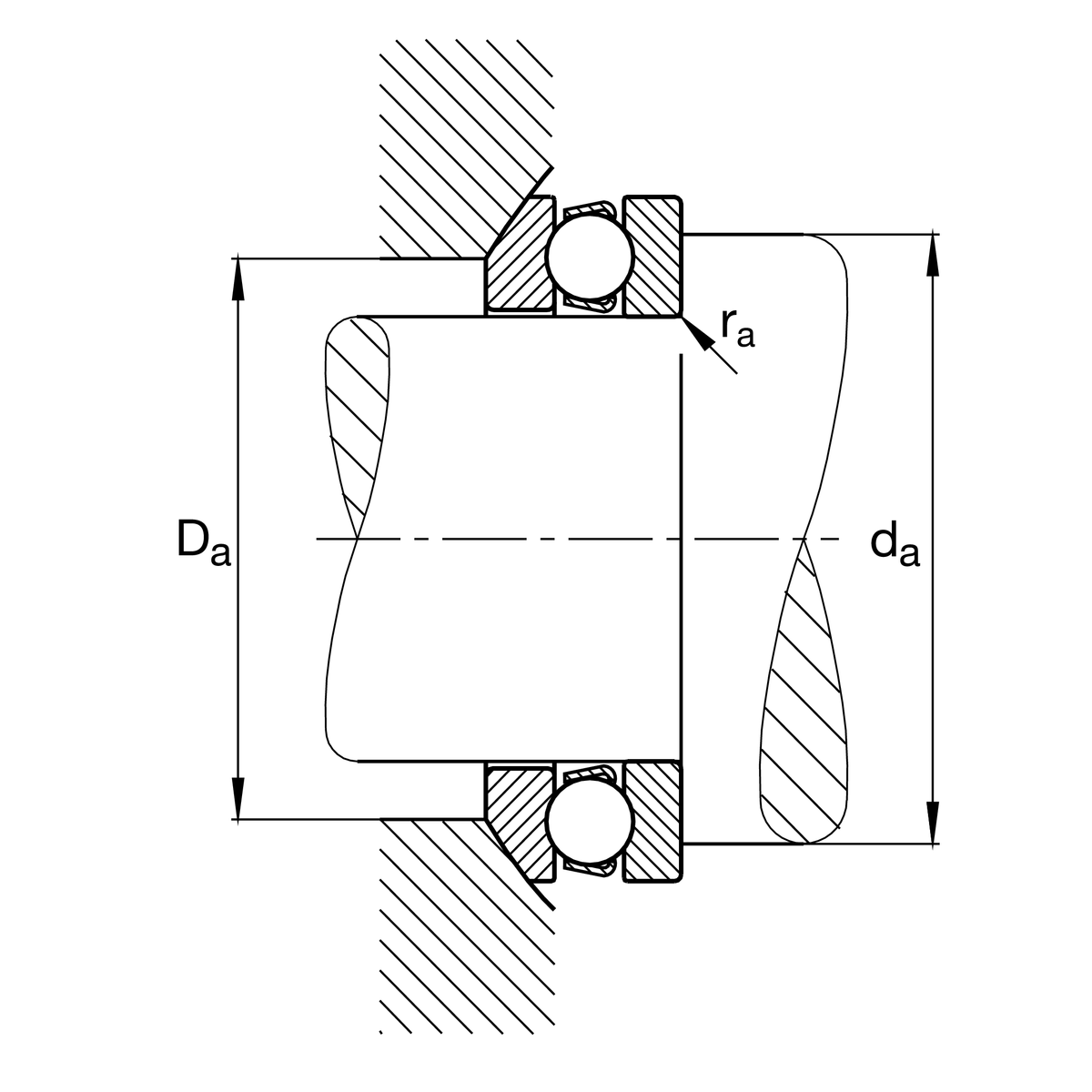
安装尺寸
da min
166 mm
轴挡肩最小直径
Da max
160 mm
轴承座挡肩最大直径
ra max
1.5 mm
最大凹穴半径
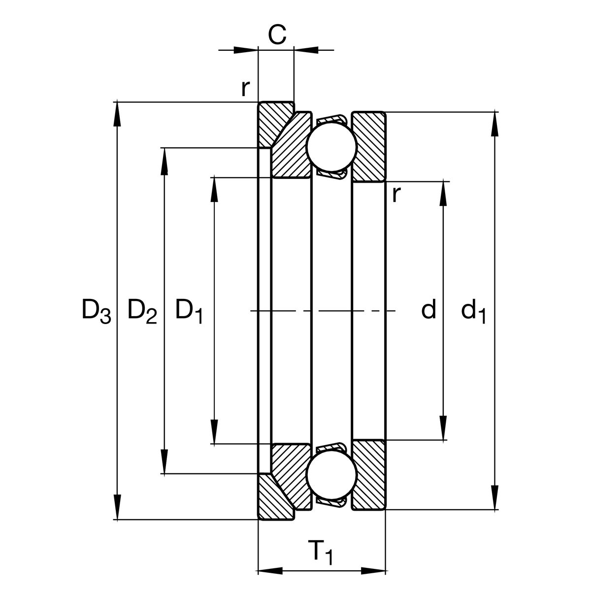
尺寸
rmin
1.5 mm
最小倒角尺寸
D1
133 mm
座圈内径
d1
187 mm
轴圈档边直径
R
140 mm
调心座圈半径
A
67 mm
中心点距离
T1
53 mm
带座垫圈高度
温度范围
Tmin
-30 °C
最低工作温度
Tmax
150 °C
最高工作温度
计算因素
A
1.7
最小载荷系数
附加信息
U226
座垫圈
