产品目录 Products
产品目录
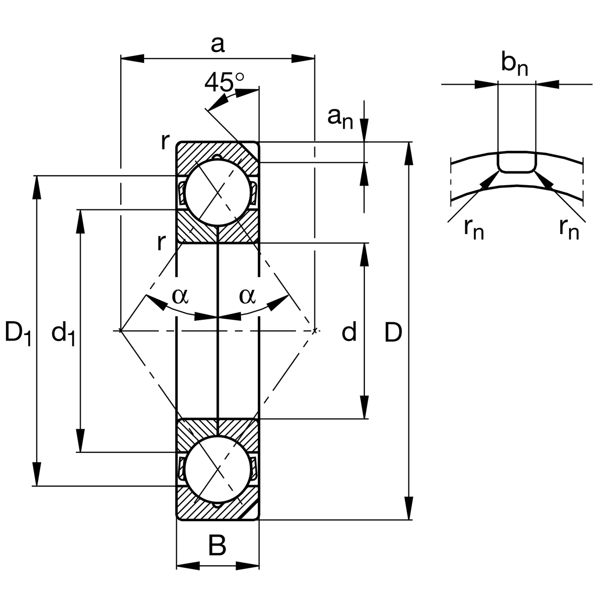
技术图纸
您当前的产品型号
保持架
MPA
外圈引导大型黄铜保持架,
轴承外圈设计
N2
N2
涂层
不带
无
公差等级
PN
正常(PN)
尺寸/热稳定性
S1
热稳定性尺寸(200°)
内部轴向游隙
C3
组3(C3)
主要尺寸和性能数据
d
200 mm
内径
D
360 mm
外径
B
70 mm
宽度
Cr
520,000 N
基本额定动载荷, 径向
C0r
860,000 N
基本额定静载荷,径向
Cur
29,000 N
疲劳极限载荷, 径向
nG
3,200 1/min
极限转速
nϑr
1,770 1/min
参考转速
≈m
32 kg
重量
安装尺寸
da min
217 mm
轴挡肩最小直径
Da max
343 mm
轴承座挡肩最大直径
ra max
3 mm
最大凹穴半径
尺寸
rmin
4 mm
最小倒角尺寸
D1
303.5 mm
内圈档边直径
d1
259.1 mm
内圈档边直径
a
560 mm
压力锥顶距
an
12.7 mm
定位槽高度
bn
10.5 mm
定位槽宽度
rn
2 mm
定位槽半径
45 °
角定位槽
α
45 °
接触角
温度范围
Tmin
-30 °C
最低工作温度
Tmax
200 °C
最高工作温度
