产品目录 Products
产品目录
技术图纸
主要尺寸和性能数据
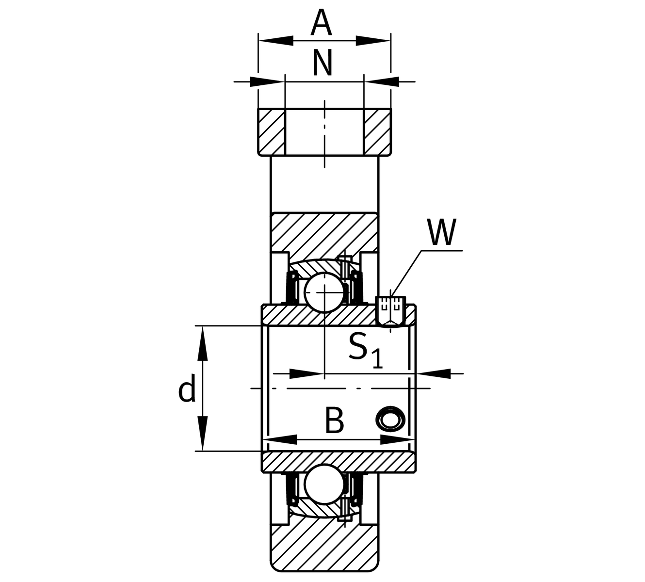
d
90 mm
内径
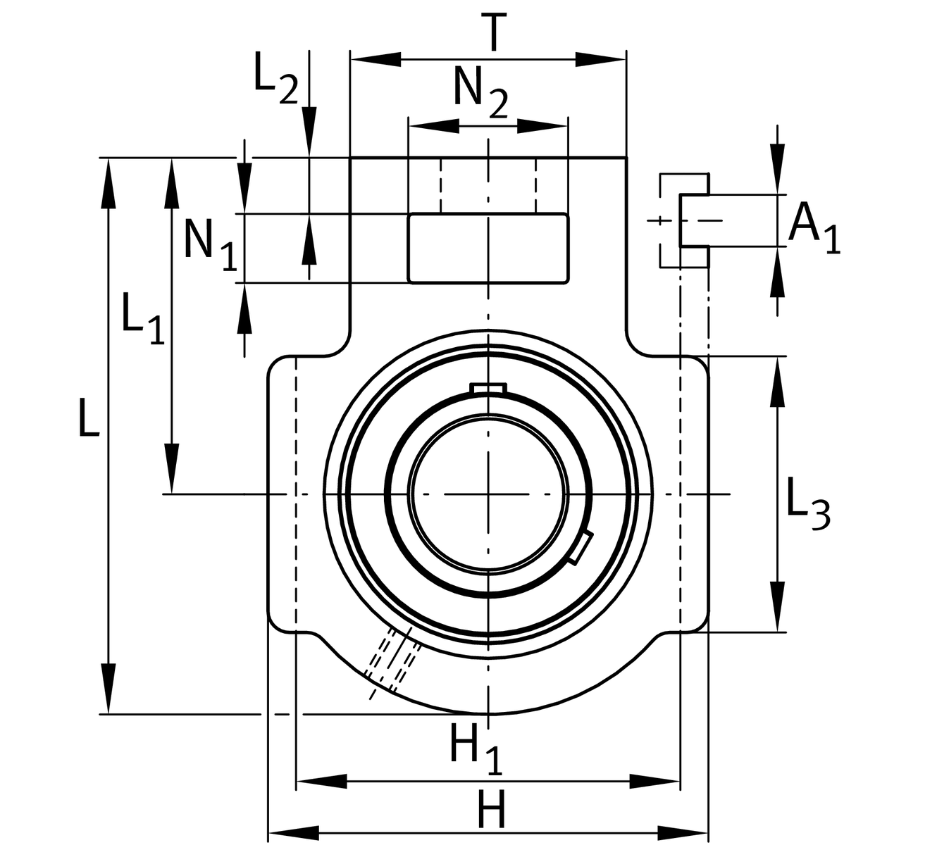
H
215 mm
高度
L
275 mm
总长度
≈m
12.26 kg
重量
安装尺寸
A1
28 mm
引导沟宽度
0.3 mm
引导沟宽度公差,上偏差
0 mm
引导槽宽度公差,下偏差
H1
190 mm
引导沟距
0 mm
引导沟距离公差,上偏差
-0.8 mm
引导槽距离公差,下偏差
N
47 mm
固定孔
尺寸
L1
170 mm
轴线距离
L2
30 mm
固定链接长度
L3
140 mm
引导槽长度
A
80 mm
轴承座固定侧宽度
N1
40 mm
凹穴宽度
N2
80 mm
凹穴高度
B
96 mm
Width inner ring
S1
56.3 mm
Distance of raceway to locking collar
T
130 mm
轴承座固定侧高度
Q
M6
润滑螺纹孔
A2
55 mm
轴承座宽度
附加信息
T218
轴承座
UC218
轴承型号
温度范围
Tmin
-20 °C
Operating temperature min.
Tmax
120 °C
Operating temperature max.
