产品目录 Products
产品目录
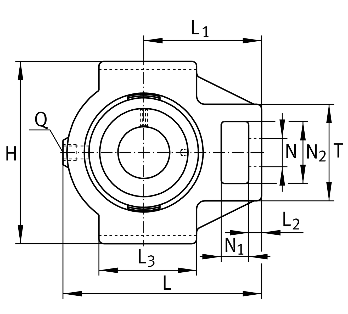
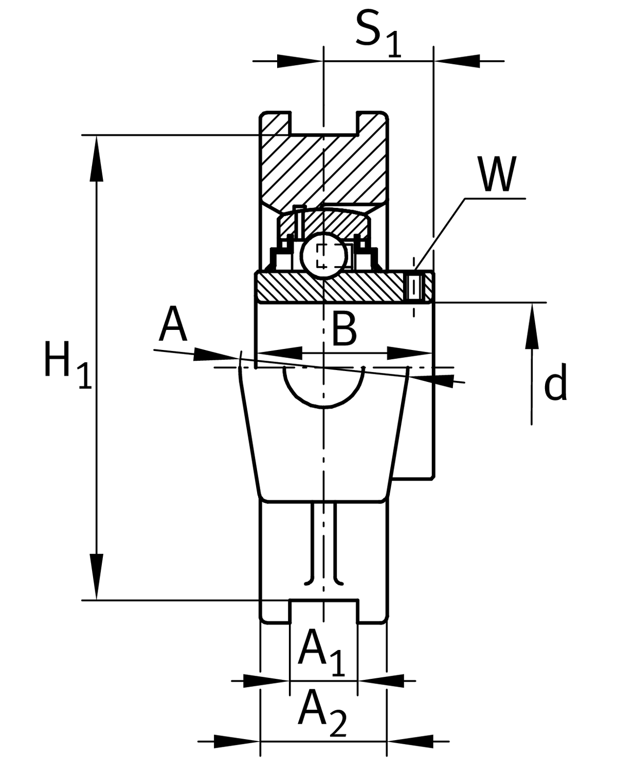
技术图纸
主要尺寸和性能数据
d
20 mm
内径
H
90 mm
高度
L
94.5 mm
总长度
≈m
0.84 kg
重量
安装尺寸
A1
12 mm
引导沟宽度
H13
引导沟游隙宽度
H1
76 mm
引导沟距
0.15 mm
引导沟距离公差,上偏差
-0.15 mm
引导槽距离公差,下偏差
N
19 mm
固定孔
尺寸
L1
60 mm
轴线距离
L2
9 mm
固定链接长度
L3
50 mm
引导槽长度
A
37 mm
轴承座固定侧宽度
N1
18 mm
凹穴宽度
N2
32 mm
凹穴高度
B
31 mm
Width inner ring
S1
18.3 mm
Distance of raceway to locking collar
T
51 mm
轴承座固定侧高度
Q
M6
润滑螺纹孔
A2
25 mm
轴承座宽度
附加信息
TUE04
轴承座
GYE20-XL-KRR-B
轴承型号
温度范围
Tmin
-20 °C
Operating temperature min.
Tmax
120 °C
Operating temperature max.
