产品目录 Products
产品目录
技术图纸
您当前的产品型号
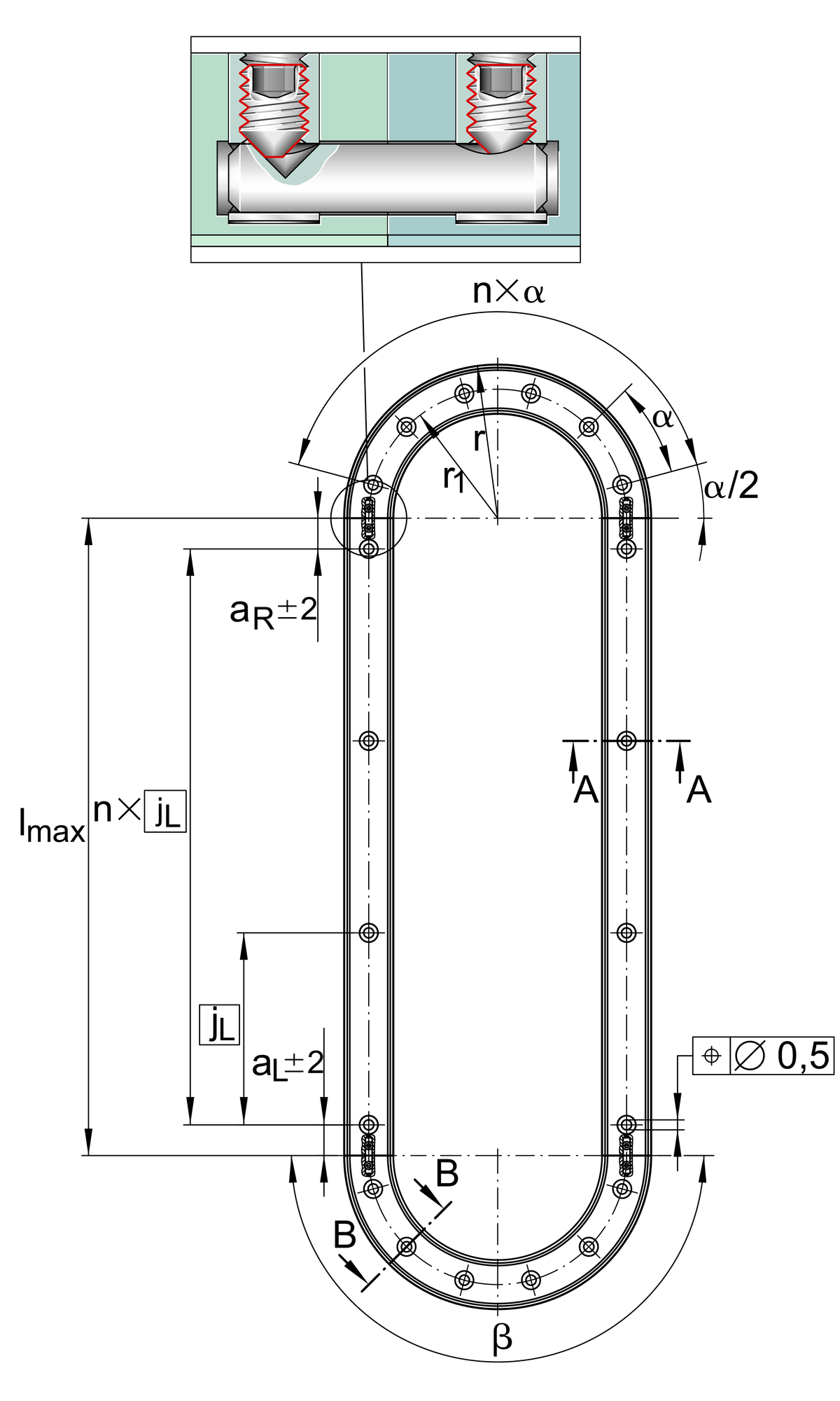
Guideway design
OV
solid profile, curved guideway
Radius
300
特性
VBS
Rail connector
主要尺寸和性能数据
h
34 mm
Height
b
52 mm
Width
lmax
6,000 mm
Length maximum 1
r
300 mm
Radius
β
180 °
Radian measure
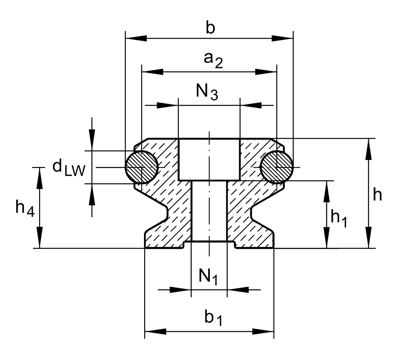
安装尺寸
N1
11 mm
Bore diameter 2
N3
19 mm
Bore diameter 3
尺寸
a2
42 mm
Distance
aL max
235 mm
Distance 4
aL min
41 mm
Distance 4
aR max
235 mm
Distance 4
aR min
41 mm
Distance 4
b1
40 mm
Width
dLW
10 mm
Diameter
h1
21 mm
Height 5, 6
h4
25 mm
Height
r1
274 mm
Radius
x
8
Number 7
α
22.5 °
Angle
