产品目录 Products
产品目录
技术图纸
您当前的产品型号
密封
2RS
两侧接触唇式密封
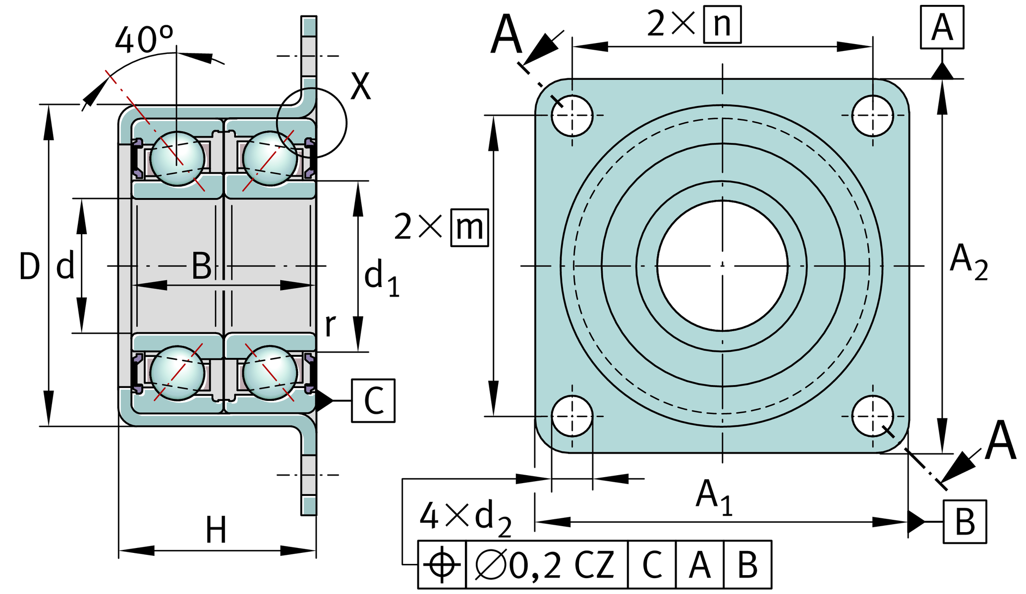
主要尺寸和性能数据
d
20 mm
内径
0 mm
螺母直径,上偏差
-0.008 mm
螺母直径,下偏差
D
50.45 mm
轴承罐外径
0.03 mm
轴承罐外径,上偏差
-0.01 mm
轴承罐外径,下偏差
B
28 mm
内圈宽度
0.25 mm
内圈宽度,上偏差
-0.25 mm
内圈宽度,下偏差
Cr
28,000 N
基本额定动载荷, 径向
C0r
19,100 N
基本额定静载荷,径向
Ca
27,500 N
基本额定动载荷, 轴向
C0a
40,000 N
基本额定静载荷,轴向
Cur
990 N
疲劳极限载荷, 径向
MRL
0.3 Nm
轴承摩擦力矩
≈m
0.29 kg
重量
安装尺寸
da
24 mm
轴挡肩直径
Dai
39 mm
外圈支承内径
Daa min
47 mm
外圈最小支撑直径
M6
螺栓尺寸
n
4
螺栓数量
t1
0.2 mm
轴承座定位孔
尺寸
d1
24.4 mm
内圈挡边直径
rmin
0.3 mm
最小倒角尺寸
d2
6.6 mm
固定孔直径
A1
60 mm
法兰宽度
A2
60 mm
法兰高度
m
47 mm
内孔距高度
n
47 mm
内孔距宽度
H
30 mm
轴承座高度
0 mm
轴承座高,上偏差
-0.5 mm
轴承座高,下偏差
附加信息
caL
250 N/µm
轴向刚度
Mm
0.263 kg*cm2
惯性力矩
8 µm
轴向跳动
ZM20
锁紧螺母1
AM20
锁紧螺母2
MA
18 Nm
螺母拧紧力矩
