产品目录 Products
产品目录
技术图纸
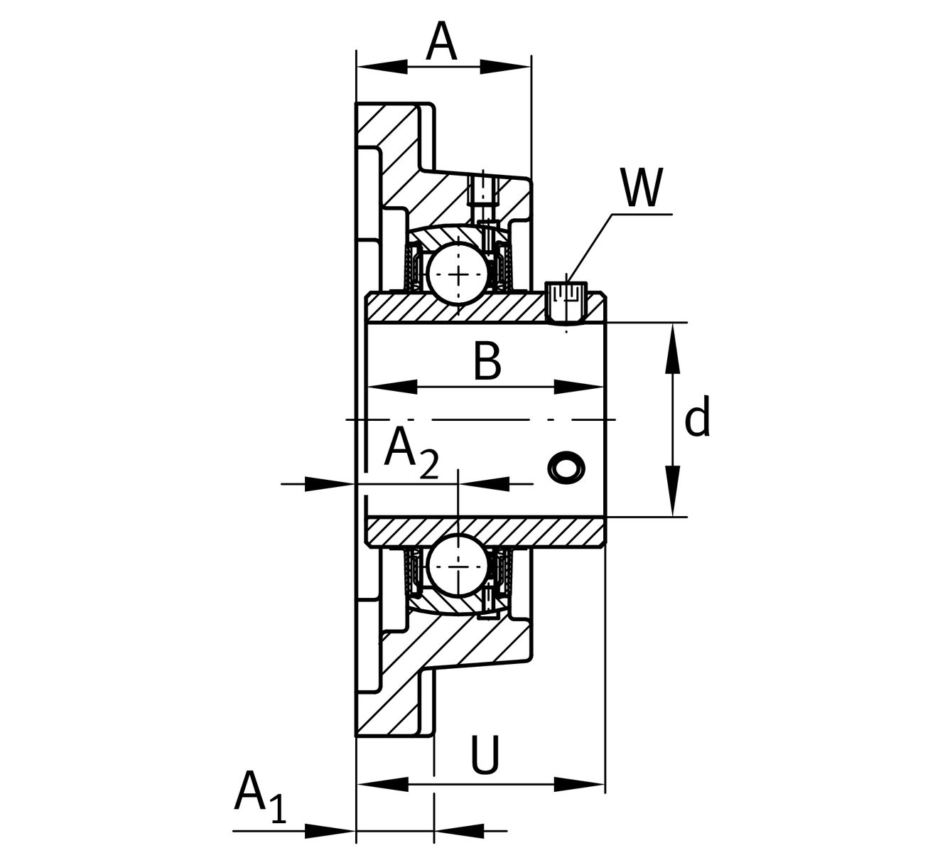
主要尺寸和性能数据
d
20 mm
内径
L
86 mm
法兰宽度
U
33.3 mm
单元总高度
Cr
12,800 N
基本额定动载荷, 径向
C0r
6,600 N
基本额定静载荷,径向
Cur
345 N
疲劳极限载荷, 径向
≈m
0.597 kg
重量
安装尺寸
J
64 mm
固定孔距
N
12 mm
固定孔
N1
64 mm
固定孔距
n
4
螺栓孔数量
尺寸
A
25.5 mm
轴承座高度
A1
12 mm
法兰厚度
A2
15 mm
滚道距离
B
31 mm
宽度
Q
M6
润滑螺纹孔
附加信息
1
轴承座数量
F204
轴承座
UC204
轴承型号
温度范围
Tmin
-20 °C
Operating temperature min.
Tmax
120 °C
Operating temperature max.
