产品目录 Products
产品目录
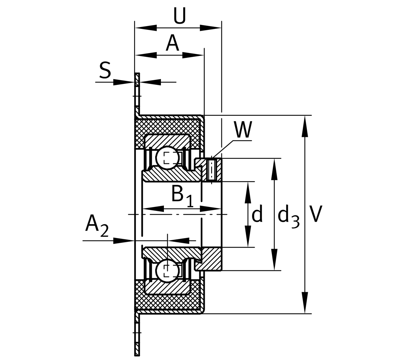
技术图纸
主要尺寸和性能数据
d
12 mm
内径
L
70 mm
法兰宽度
H
114 mm
法兰高度
U
34.8 mm
单元总高度
Cr
9,800 N
基本额定动载荷, 径向
C0r
4,750 N
基本额定静载荷,径向
Cur
248 N
疲劳极限载荷, 径向
C0r G
900 N
承载能力(轴承座)
Cg
900 N
承载能力(轴承座)
≈m
0.27 kg
重量
安装尺寸
J
92 mm
固定孔距
N
10.5 mm
固定孔
n
2
螺栓孔数量
尺寸
A
27 mm
轴承座高度
A2
12.7 mm
滚道距离
S
1.5 mm
法兰厚度
V
68 mm
轴承座挡肩直径
附加信息
2
轴承座数量
FLAN65-RCSMF
轴承座
GRG.RCSM40/65
橡胶内衬型号
RAE12-XL-NPP-FA106
轴承型号
温度范围
Tmin
-20 °C
Operating temperature min.
Tmax
120 °C
Operating temperature max.
