产品目录 Products
产品目录
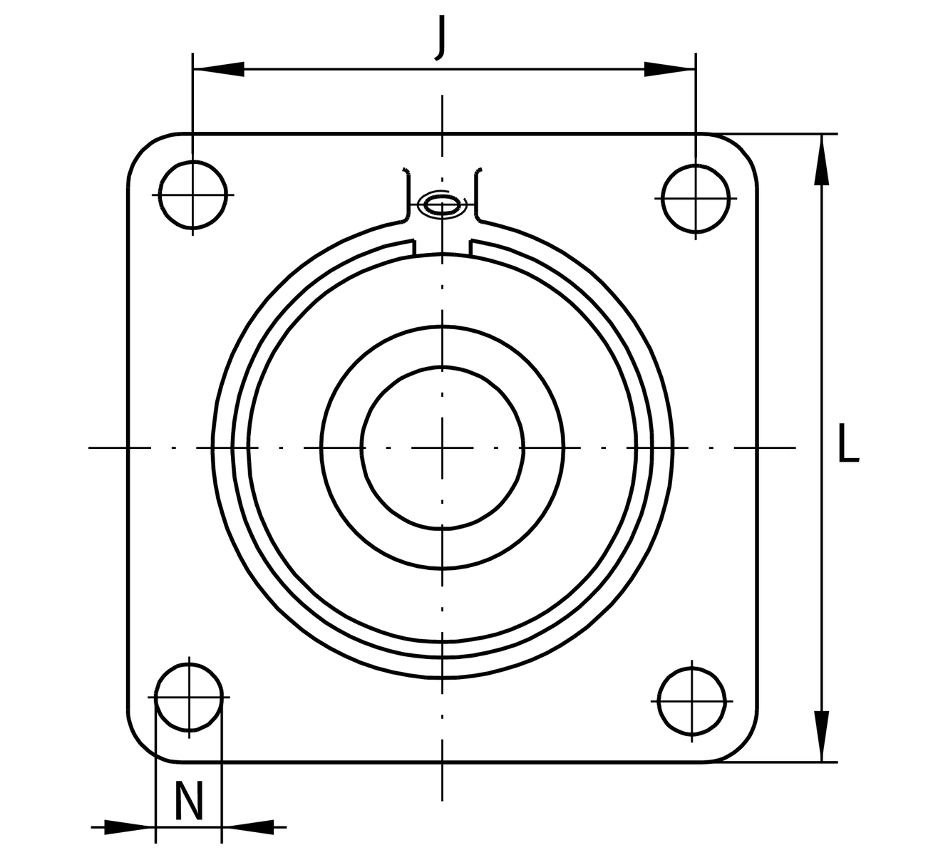
技术图纸
主要尺寸和性能数据
d
25 mm
内径
L
95 mm
法兰宽度
U
26.7 mm
单元总高度
Cr
21,600 N
基本额定动载荷, 径向
C0r
14,900 N
基本额定静载荷,径向
Cur
760 N
疲劳极限载荷, 径向
≈m
0.89 kg
重量
安装尺寸
J
70 mm
固定孔距
N
11.5 mm
固定孔
n
4
螺栓孔数量
尺寸
A
22.1 mm
轴承座高度
A1
12 mm
法兰厚度
A2
11.7 mm
滚道距离
B
30 mm
宽度
Q
M6
润滑螺纹孔
附加信息
1
轴承座数量
CCJ05
轴承座
G5205-2RS-N
轴承型号
