产品目录 Products
产品目录
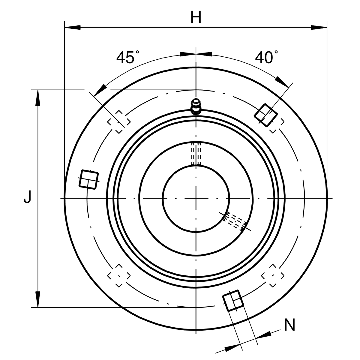
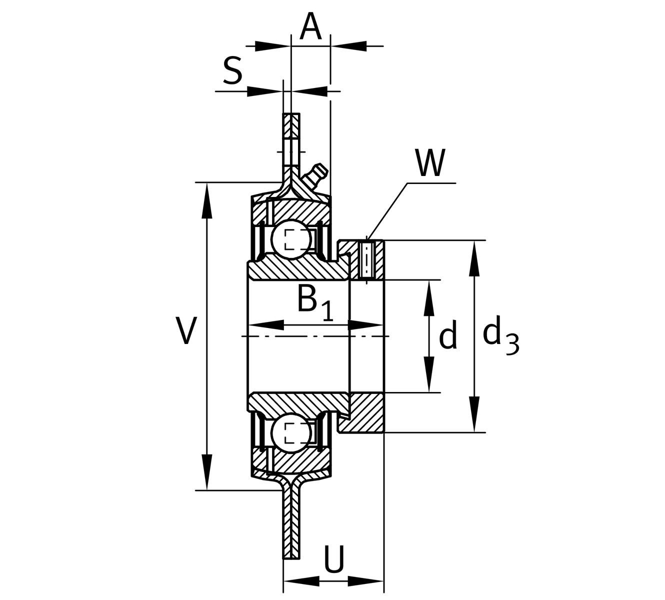
技术图纸
主要尺寸和性能数据
d
20 mm
内径
H
90.5 mm
法兰高度
H
90.5 mm
法兰宽度
U
25.5 mm
单元总高度
B1
31 mm
偏心套总宽度
Cur
345 N
疲劳极限载荷, 径向
Cr
13,600 N
基本额定动载荷, 径向
C0r
6,600 N
基本额定静载荷,径向
C0r G
3,200 N
承载能力(轴承座)
≈m
0.32 kg
重量
安装尺寸
J
71.5 mm
节圆直径(孔)
N
8.7 mm
固定方块
n
3
螺栓孔数量
n
4
螺栓数量
尺寸
A
8 mm
轴承座高度
S
2 mm
法兰厚度
V
55 mm
轴承座挡肩直径
d3
37.5 mm
偏心套外径
d3
33 mm
偏心套/锁紧螺母外径
附加信息
1
轴承座数量
1
轴承座2数量
FLAN47-MSB
轴承座
FLAN47-MSA
轴承座(部件2)
EXZ
固定
GRAE20-XL-NPP-B
轴承型号
温度范围
Tmin
-20 °C
Operating temperature min.
Tmax
120 °C
Operating temperature max.
